TOW Jeep - late model (work-in-progress photos added)

I note that many later M151 TOW Jeeps, the kerbside rear seat was replaced with a large frame/box of some description (1 - in the top photo). On many photos it looks like there is something located inside the outer shell, maybe a stowed control box?

Anyone know for certain?

Similarly, on later(?) Marine Tow Jeeps, there seems to be a metal bar (item 2 in the top photo) fitted across the gap behind the spare wheel and jerrycan rack. There isn’t one on the driver’s side.

Is this specific to the Marines and why was it added? My gut instinct might be that the body flexed too much in this area over time?

The guy riding the back of the TOW jeep in the second photo - I’ve come across several photos of guys doing this and it don’t look safe :slight_smile:

At some point, possibly this weekend, I will post some photos of the progress I’ve made so far on my TOW Jeep (and some of my finished M561 too).

Thanks as always for any information.

John

3 Likes

Most of the stuff some of us did in the military wasn’t safe. That’s why we signed up.

I’ll show it to a Marine Corps friend of mine who was a mechanic on M151’s and see if he knows. My gut feeling is it wasn’t because the body flexed - it would have served little purpose in that regard.

8 Likes

:+1: :rofl: :joy:

Sometimes it’s amazing that we lived through it!

Ken

5 Likes

True!

2 Likes

The #1 location I believe is where a jump seat for the loader goes. The box seen on later types could be stowage for the night sights and associated accessories that came along later. The AN/TAS-4 thermal site of TOW 1 needed separate batteries and coolant bottles, carried in cases separate from that for the night sight, along with a colimater. The AN/TAS-4A for TOW 2 on vehicle mounts plugged into the vehicle power supply so it didn’t need separate batteries, only requiring those for ground mount away from the vehicle. And if I remember right, the 4A had a cooling system that didn’t need separate bottles. It’s been almost 40 years since I worked with the system (1987), and my memory of the details is fading.

Under the missile rack is where the ground mount tripod is supposed to be stowed.

6 Likes

Hated the TOW jeeps. They were terrifying. I was a TOW gunner when we had them and it was all I could do to stay in it at speed. The launcher pedestal had two grab handles on it and I used to hold on to those for dear life. I wedged one foot and my M16 under the driver’s seat so it didn’t go flying out. (Losing your personal weapon is a very, very bad thing!) Those things were death traps when travelling.
#1 is an enclosure for the radio set and #2 is the frame base for the ammo rack. When they went to two man crews the driver became the loader.

7 Likes

Hated the TOW jeeps, too!
They could hide anywhere in their little jeeps, with their bloody night sight, and I couldn’t hide anywhere in my Leopard 1 on the move.
Things got better when the Leopard got thermal sights.

5 Likes

A poor photo, but a Danish TOW Jeep. Interesting that it’s based on an A1 Jeep.

1 Like

Thanks all for the useful information - much appreciated.

I’ve been digging around for some answers and more photos.

Toadman has a nice image of the rail behind the jerrycan and spare wheel. It serves no obvious purpose and I’ve only seen it on later Marine jeeps.

I’m going to stick my neck out and say that the ‘box’ on the rear fender is stowage for the AN/TAS-4 night sight that was introduced later in the TOW Jeep’s service life.

I cross-checked a TOW Humvee stowage layout against the interior parts you get in the Tamiya M1046 TOW Humvee kit. The M151 fender location would comfortably accommodate the night sight stowage box or even the larger collimator box I think, but the night sight box seems more likely.

Tamiya’s M1046 TOW unit, missile tubes and tripod are better detailed than the older M151 items so I’m going to cross-kit.

2 Likes

Some work-in-progress photos:

Top photo shows the difference in detail between the Tamiya M1046 Humvee kit (left) and the older Tamiya M151 Tow Jeep (right).

The replacement grille with cold weather cover comes from Def Model.

3 Likes

Are the differences in newer types? Just a thought. Would like to do a 72 Kontum version. Wayne

1 Like

Yes. Although some parts are the same, the night sight, (I don’t believe that was fielded in 1972) and MGS (guidance box) are different. The basic parts of the daysight tracker, launch tube, and tripod are the same for TOW 1 and TOW 2. I don’t remember if the T&E unit was interchangeable between the two due to the cable connector for the MGS. I don’t remember any external differences in appearance. I was trained on and operated both systems, but again, my memory on those details is fading. The Humvee kit has a TOW 2 night sight. I imagine the MGS too. But the pedestal and launch tube are much better detailed than those in the M151 kit.

2 Likes

The Tamiya M151A2 TOW Jeep (#35125) represents an early vehicle and could be built out of the box as one of the early vehicles in Vietnam. The jerrycan sits on the driver’s side and they often seem to have carried extra missile tubes, but other than sourcing alternative decals I don’t think there are any other changes you’d need to make. The kit is readily available and cheap. There are various aftermarket sets available but none of them are essential to produce a decent model.

Having said that, a quick study of the images below suggests that the launcher barrel is the longer version, not the more common short version

My primary reason for preferring the Humvee kit parts is that the launcher unit is slightly better detailed. However, the Humvee kit also includes the later night sight which I want for my mid-1980s Marine vehicle.

3 Likes

Interesting… the three photos show those all with the early long launch tube, which the Tamiya kit does not provide… :thinking: I just might have to do one more TOW jeep…

2 Likes

The Tow 2 AN/TAS-4A (the night sight in the Tamiya Humvee kit) wasn’t fielded until the mid 80’s. I trained on them at Benning in early ‘84, but we did not get them in a stateside line unit until at least mid to late ‘86 I want to say. And that was Regular Army. The Marines usually got most gear after us…

Its only minor differences details between the early Night sight AN/TAS-4 and the later AN/TAS-4A… but if you’re into the weeds on the details.

2 Likes

You can get that from the old Italeri Modern Light Weapons Set. The TOW launcher in that wasn’t very good even when it came out, but it does have the long barrel you could saw off and graft to a Tamiya launcher :slight_smile:

Or, of course, you could saw the Tamiya barrel in half and extend it with plastic tube.

3 Likes

The AFV Club IDF M38A1 TOW comes with the long-barrel TOW launcher.
it also has the short-barrel launcher in the kit, so you could still build an IDF M38A1 TOW.

5 Likes

Thanks - really useful info. My timeline for the Marine Jeep would be March ‘86 so that would suggest I need to explore whether I can portray the older AN/TAS 4. I could leave it off and just have the box stowed on the vehicle, but that feels a bit like cheating.

As a non-expert, my understanding is that visually, the main differences were that the earlier sight had batteries and coolant bottles installed directlty on the sight and the later version has visible cables (based on an earlier post you made on a different thread)? What else do I need to look for?

https://forums.kitmaker.net/t/tow-in-italeri-modern-battle-accessories/34923

2 Likes

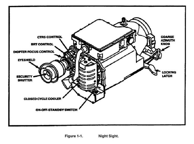
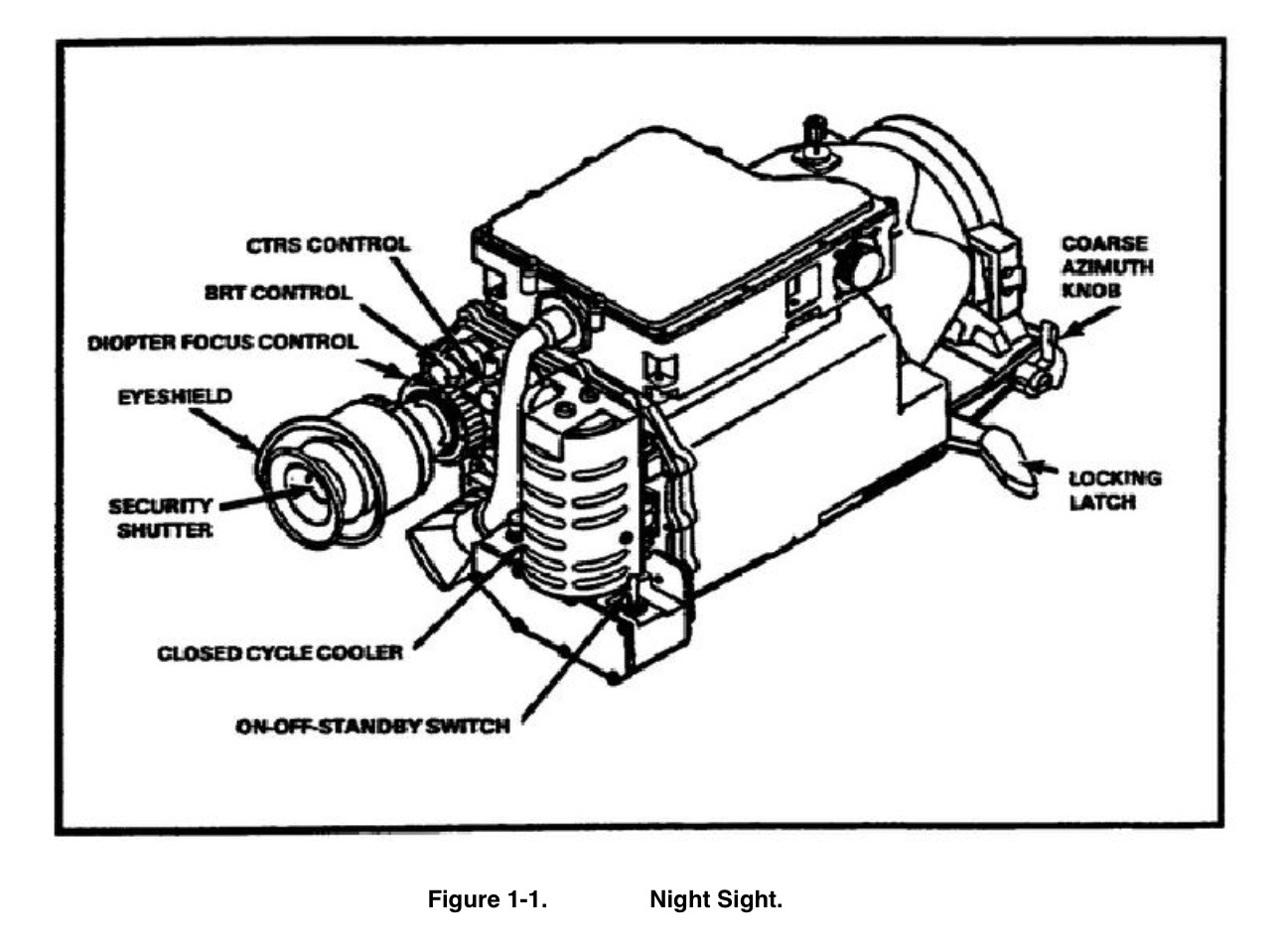
This is the AN/TAS-4. You can see the coolant bottle installed on the lower left side of the sight. The battery attaches to the rear, but is not shown installed in the diagram.

This is the AN/TAS-4A

you can see that there is an additional box feature on top of the sight, and that the rear has the cooling unit that does not require the coolant bottles.

3 Likes

Can anyone tell me the different length launcher barrels and when they changed? I want to do the ones pictured from Kontum in 72. Also, what unit it was/ I believe they were 82nd Airborne. Wayne

3 Likes