Retraction Device on Abrams Tanks Cal 50

Hi folks,

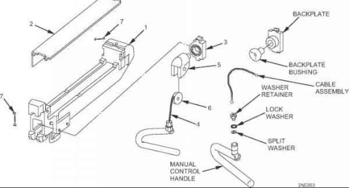
The device is the one that I have circled. My educated guess is that it is to cocks the gun, but what is its name? Also, the one from the manual (CWS) has the cable fed through a roller, but the one on the CSAMM gun seemingly has a smooth lip instead. Does the design iterate throughout the service?

Hope I can pick someone’s brain on this.

4 Likes

It’s a M10 charger. Here’s some pics.





5 Likes

Welcome to the site Joe! You’ll find excellent modelers with loads of real world experience on the vehicles themselves as well as modeling. Just ask!

4 Likes

Exactly it! Many thanks. It helps a lot.

1 Like

Thanks for the welcome! (Glad to have asked already)

1 Like

https://drive.google.com/drive/folders/1NYk-O_g5zNHeJKXnAdvibnu5H0lP1YGG?usp=drive_link

Two versions with different bushings in STL. Full-sized solid body. Feel free to use them in your own projects. Cheers.

4 Likes

Great work! What CAD program do you use?

2 Likes

If that helps. Also, I am with Solidworks.

2 Likes